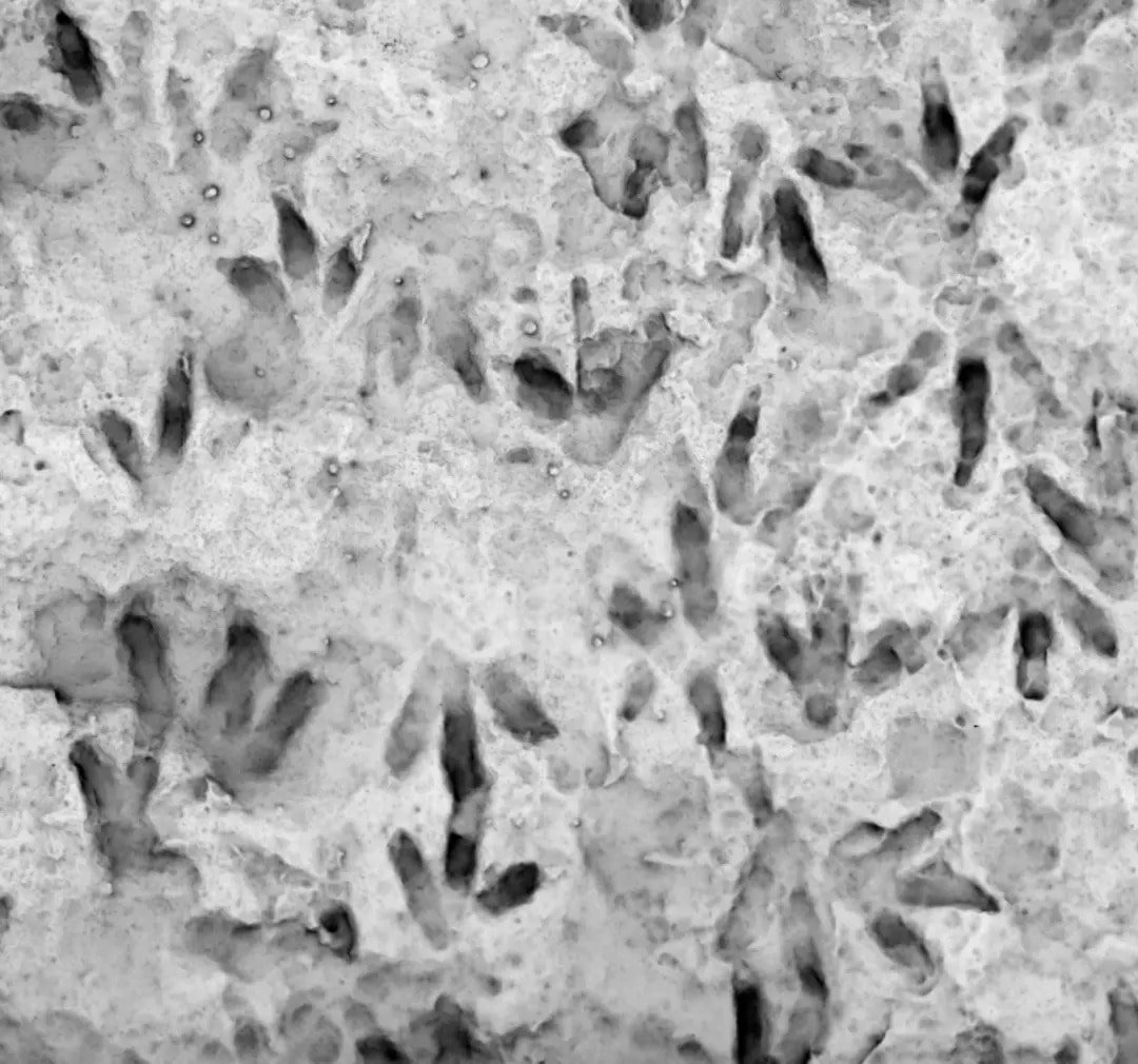
Avustralya’nın Queensland eyaletindeki Banana şehrinde, yıllardır fark edilmeyen bir kaya parçası üzerinde 66 fosilleşmiş dinozor ayak izi keşfedildi. Bu dikkat çekici keşif, Queensland’in kırsal bir bölgesinde bulunan bir okulda gerçekleşti. Okulun girişinde sergilenen üç parmaklı ayak izleri bulunan kaya, yerel öğretmenler tarafından dikkatle incelenmesi için paleontolog Anthony Romilio’ya gönderildi. Yapılan analizler, kaya üzerinde erken Jura dönemine, yaklaşık 200 milyon yıl öncesine ait dinozor ayak izlerinin bulunduğunu ortaya koydu.
FOSİLLEŞMİŞ KEMİKLER OLMASA DA FOSİLLER DEĞERLİ
Queensland Üniversitesi’nden paleontolog Anthony Romilio, bu keşfin, Avustralya’da şimdiye kadar belgelenmiş en yoğun dinozor ayak izi koleksiyonlarından biri olduğunu vurguladı. Romilio, “Bu fosil, dinozorların sayısı, hareketleri ve davranışları hakkında eşsiz bir bilgi sağlıyor. Özellikle, o döneme ait fosilleşmiş dinozor kemiklerinin bulunmuyor olması, bu bulgunun önemini daha da artırıyor” şeklinde değerlendirmede bulundu.

KÖMÜR MADENCİLERİ KEŞFETTİ
Bu ilginç kaya parçası, aslında 2002 yılında kömür madencileri tarafından keşfedildi. Madenciler, kaya üzerindeki sıra dışı izleri fark ettikten sonra, fosili Queensland’in Biloela kasabasındaki bir okula hediye etti. Okulun girişinde sergilenen kaya, uzun yıllar boyunca değerinin tam olarak anlaşılmadığı bir parça oldu. Romilio, araştırma sırasında okulda bazı öğretmenlerin bu kayanın bir replikadan ibaret olduğunu düşündüğünü belirtti ve “Herkes bunun bir dinozor ayak izi olduğunu biliyordu, ancak bir araştırmacının gözünden kaçan detaylar vardı” dedi.

66 FARKLI DİNAZOR İZİ
Yapılan detaylı incelemeler sonucunda, yaklaşık bir metrekarelik kaya parçasında tam 66 ayrı dinozor ayak izi keşfedildi. Romilio, bu ayak izlerinin Anomoepus scambus adlı küçük, tıknaz ve iki ayak üzerinde yürüyen otçul bir dinozora ait olduğunu belirtti. Ayrıca Romilio, bölgede sadece okulda değil, çevrede de dinozor fosillerinin bulunduğunu ve bir kömür madeni otoparkında 2 tonluk bir kaya parçasında da bir başka dinozor ayak izine rastladığını söyledi.
1
Gümüşhane’nin Tarihi Kalelerine Ulaşım Kolaylaşıyor
10218 kez okundu
2
Trabzon’da av sırasında dehşet anları: Yaralı domuz saldırdı
9366 kez okundu
3
Giresunlu Zahide, Yavru Karacanın Umudu Oldu
6769 kez okundu
4
Tepki Mi, İhanet Mi?
4425 kez okundu
5
Ankara’da lityum fabrikasında sızıntı
4221 kez okundu
Veri politikasındaki amaçlarla sınırlı ve mevzuata uygun şekilde çerez konumlandırmaktayız. Detaylar için veri politikamızı inceleyebilirsiniz.